主要内容简介
随着生活水平的不断提高和科技的发展,旋转自动门广泛的应用在楼宇自动化中。又美观使用,还为人们的是带来方面便。因此,要保证自动门安全有效的工作,针对控制要求设计合理的旋转门控制系统就很有实际价值和现实意义。
本设计利用可编程序控制器(PLC)和变频器等设计了针对三姨自动旋转门的控制系统。设计中根据控制原理和设计要求确定了系统的设计方案,给出了结构框图、电气原理图。针对每个环节进行具体设计,对主控芯片、变频器、传感器等进行参数选择,给出传感器的连接电路和信号分析,系统通过主控芯片雨各种传感器的连接,对控制信号进行检测和分析,并利用扁平起调节电视机实现对旋转门的控制。
旋转门控制系统实现了对门的自动停止、自动定位。速度调节、安全智能和夜间闭锁等功能。另外针对不同人群的需要才却徐昂硬的措施是整个系统显得更加人性化。
一、框架总成
分为固定部分和旋转部分,均由铝型材框架和玻璃等组成。立柱、曲壁、门扉一般采用高强度铝合金型材,结构简洁,精密牢固。采用中心门轴结构安装和驱动旋转门体设计,每扉门三面安装密封毛条与地面天花及曲壁紧密接触,使门扉在任何位置均处于密闭状态;门扉玻璃采用(3+3)夹胶玻璃或6mm厚钢化玻璃,曲壁玻璃一般采用(4+4)夹胶玻璃,安全可靠。

二、驱动系统
由一个三相交流电机提供动力,用减速器带动中心门轴驱动。
三、控制系统
由可编程控制器PLC、变频器、功能开关组成。
四、检测系统
由红外传感器实现有无人自动检测,自动对电机启停进行操作。
五、安全系统
主要有接触和非接触安全感应器。旋转门入口立柱均装有安全胶条,防止行人夹伤,自动门入口右侧立柱胶条内装有内藏式防夹感应器,如受挤压门扉即马上停止运转。胶条恢复正常,门扉则自动转动;每扇门扉底边胶条内装有内藏式防碰感应器,碰到物体或行人门扉立即停止运转。胶条恢复正常,门扉则自动转动。

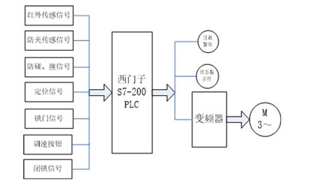
通过分析可知本设计是利用可编程控制器(PLC)、变频器传感器等构成三翼自动旋转门的控制系统。根据控制原理和设计要求确定了系统的结构框图如图所示。
红外传感器作用是检测是否有行人通行;红外防夹传感器和防夹接近开关用来检测是否有人被夹;定位接近开关用来检测门翼是否停在定位位置;防碰撞传感器用来检测是否有人被碰或被撞;主控芯片用来判断传感器传来的各种信号并经过判断做出相应控制动作;变频器接收控制信号对电动机进行调速。另外还有运行状态指示灯和过载报警等等。
旋转门控制系统实现了对门的自动启停、自动定位、速度调节、安全智能和夜间闭锁等功能。



