快速卷帘门互锁联动如何调试
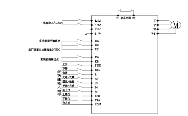
一、门机变频器基本配线图

二、快速卷帘门互锁联动调试说明
1、互锁接急停S1信号,动作优先级高于联动,配线图如下:

当P323=30,互锁功能开启,互锁自动有效,手动无效;
快速门A门打开,离开下限位时,B门锁死,按上升键,下降键无效;
快速门B门打开,离开下限位时,A门锁死,按上升键,下降键无效;
2、联动接上升FWD信号,配线图如下:

当P323=31,联动功能开启,由雷达信号触发,自动有效,手动无效;
快速门A门下降到下限位,B门打开;B门下降到下限位,A门打开。


