sej电动机是快速门厂家很看重的一个重要组成零件,也是快速门的核心部件,那么快速卷帘门sej电动机使用说明书是怎样的呢?下面乐虎88国际 一起来看看。
一、快速卷帘门sej电动机组成结构。
下图为普通B5刹车电动机结构图:

1-轴 2-前端盖 3-轴承 4-接线盖 5-定子 6-转子 7-机座 8-制动后端盖 9-电磁制动器 10-制动罩 11-风叶 12-风罩。
二、sej电动机的使用条件。
1.环境温度不高于40℃,不低于-15℃。
2.月平均Z高相对湿度不超过90%,月平均温度不超过25℃。
3.海拔不超过1000米。
4.一般额定电压为380V±10%(非标除外)。
5.额定频率为50Hz(非标除外)。
6.工作系统为S1(连续工作系统)。
7.冷却方式为IC0141(风扇自动冷却)。
8.电机功率在3Kw及以下者为Y接法,功率在3Kw以上者为δ接法。
9.3kw及以下电动机配置标准输入电压为AC220V,输出DC99V,3kw以上电机配置标准输入电压为AC380V,输出DC198V。
注:与上述要求不同的人在订货时应特别声明。
三、安装及电源连接。
1、安装方式:
安装方式主要有B3.B5.B14三种,详见下图:

2、电源接线:
1.电动机应根据接线盒内的接线指示图进行接线。接线板上有6个接线柱,即U1.U2(A相)、V1.V2(B相)、W1.W2(C相)、6个接线端,分别用三相标号套管标识。
2.根据规定的连接方式连接到Y(图3)或△(图4)。当电源相序A.B.C分别对应于接线柱标志U1.V1.W1时,电动机的转向从轴向延伸端视为顺时针电机的转向为逆时针。
3.当电机功率在3kw以下时,如果连接成δ连接法,此时应使用220V三相交流电源,否则会烧机。
4.电动机允许全压启动或降压启动(使用电抗器或Y-δ),但由于全压启动时额定电流的启动电流约为5~7倍,应注意电网容量和线路载流,否则会造成不良后果。当降压启动时,扭矩与电压平方成正比。当电网容量不足时,应采用满载启动。
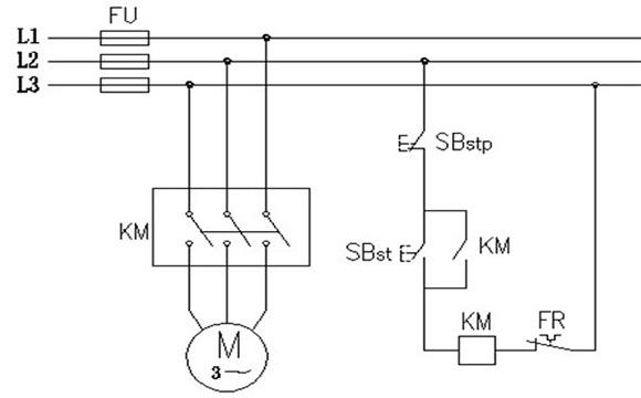
5.电动机可根据用户要求增加热保护和短路保护装置,用户可根据电动机铭牌电流调整保护装置的整定值。安装热保护器的简单控制图见图5(具体控制方法由客户根据需要确定)。
6.当电源频率与铭牌上的值偏差超过1%或电压偏差超过5%时,电动机不能保证额定功率的连续输出。连续工作的电动机不得过载。

7.YEJ电动机启动时,应检查整流器是否完好,刹车是否已打开,否则会因刹车堵塞而烧毁。
8.当YEJ电动机与变频器配合使用时,制动器的整流器应单独连接(外部电源应区分制动器的电源电压,一般3KW及以下为AC220V,3KW以上为AC380V),否则变频器输出电压可能较低,导致制动器不工作,制动器死亡。

四、sej电动机维护。
1.使用环境应保持干燥,电动机表面应保持清洁,进气口不应被灰尘、纤维等物质堵塞。
2.保证电动机在整个运行过程中润滑良好,一般电动机运行5000小时左右补充或更换润滑脂(闭轴承使用寿命内无需更换润滑脂)。运行中发现轴承过热或润滑脂变质时,应及时更换润滑脂。更换润滑脂时,应清 除旧润滑脂,用汽油清洗轴承和轴承盖的油槽,然后将LZ-3锂基轴承脂填充轴承内圈之间的空腔1/2(2极电机)或2/3(4.6.8极电机)。
3.当轴承寿命结束时,电动机运行时的振动和噪声会明 显增大,应立即更换轴承。
4.拆卸电动机时,可以从轴伸端或非轴伸端取出转子。如果没有必要拆卸风扇,从非轴伸端取出转子更方便。从定子内腔取出转子时,应防止损坏定子绕组的绝缘。
以上就是快速卷帘门sej电动机使用说明书的相关内容,深圳乐虎88国际快速门厂家14年专注设计和定制各种快速门,快速卷帘门、软帘快速门、洁净车间快速门、铝合金卷帘门、PVC快速卷帘门、涡轮车库快速卷帘门、水晶卷帘门、防火卷帘门、消防车用卷帘门、不锈钢卷帘门等。由于每个具体门洞尺寸不一,配置不一,所以需要根据客户的实际需求报价,请联系乐虎88国际 可快速获取报价,并提供一对一专属服务。
欢迎来电咨询:18038121879武经理(V信同号)


