一、sej电机使用条件
1、环境温度不高于40℃,不低于-15℃。
2、月平均Z高相对湿度不超过90%,同时该月月平均温度不高于25℃。
3、海拔高度不超过1000m。
4、一般额定电压为380V±10%(非标除外)。
5、额定频率为50Hz(非标除外)。
6、工作制为S1(连续工作制)。
7、冷却方式为IC0141(风扇自动冷却)。
8、电动机功率在3Kw及以下者为“Y”接法,功率在3Kw以上者为“Δ”接法。
9、3kw及以下的电机配置的标准输入电压为AC220V,输出为DC99V,3kw以上的电机配置标准输入电压为AC380V,输出为DC198V.
注:对于与以上有不同要求者在订货时应特别声明。
二、快速卷帘门sej电机构造
下图1为一台普通B5刹车电机结构图:

1—轴 2—前端盖 3—轴承 4—接线盖
5—定子 6—转子 7—机座 8—刹车后端盖
9—电磁制动器 10—刹车罩 11—风叶 12—风罩
三、安装及电源连接
(1)、安装方式:
安装方式主要有B3、B5、B14三种,详情见下图:

(2)、电源接线: (图2)
1、电动机应按接线盒内接线指示图进行接线,接线板上有6个接线柱,分别为U1、U2(A相),V1、V2(B相),W1、W2(C相),接线端有6个,分别用三相标号套管标识。
2、根据名牌上规定的接法接成“Y”(图3)或“Δ”(图4),当电源相序A、B、C分别与接线柱标志U1、V1、W1相对应时,电动机的转向从轴伸端视之为顺时针,任意更换其中两相电源相序后,电动机的转向为逆时针。
3、当电机功率在3kw及以下时,若接成“Δ”接法,此时应使用220V三相交流电源,否则会烧机。
4、电动机允许满压启动或降压启动。(用电抗器或Y—Δ),但因注意满压启动时有约5~7倍额定电流的起动电流,应注意电网容量及线路载流量,否则会引起不良后果,降压起动时,转矩与电压的平方成正比。当电网容量不足时,宜采用降压起动,而当静负荷相当大时只能用满载起动。
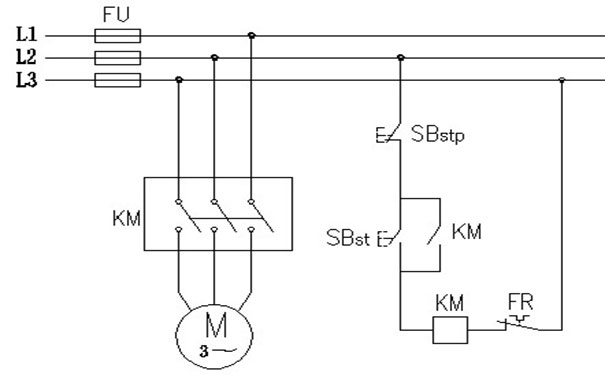
5、电动机可以根据用户要求增加热保护与短路保护装置,用户可根据电动机的铭牌电流调整保护装置的整定值。加装热保护器的简易控制图见图5(具体控制方法由客户根据需求而定)。
6、 当电源的频率与铭牌上的数值偏差超过1%或电压偏差超过5%时,电动机不能保证连续输出额定功率。连续工作的电动机不应许过载。


7、YEJ电机在起动时,应检查整流器是否完好,刹车器是否已打开,否则会因刹车抱死(堵转)而烧机。
8、当YEJ电机配合变频器使用时,应将刹车器的整流器单独外接电源(外接电源时应分清刹车器的供电电压,一般3KW及以下为AC220V,3KW以上为AC380V),否则可能会应变频器输出电压低而导致刹车器不工作,刹车抱死而烧机。
四、保养维护
1、使用环境应保持干燥,电动机表面应保持清洁,进风口不应受尘土,纤维等物堵塞。
2、应保证电动机在整个运行过程中有良好的润滑,一般的电动机运行5000小时左右就应补充或更换润滑脂(对闭轴承在使用寿命期内不必更换润滑脂)。运行中发现轴承过热或润滑脂变质时,应及时更换润滑脂。更换润滑脂时,应清除旧的润滑脂,并用汽油洗净轴承及轴承盖的油槽,然后将LZ—3锂基轴承脂填充轴承内圈处之间空腔1/2(对2极电机)或2/3(对4、6、8极电机)。
3、当轴承寿命终了时,电动机运行时的振动和噪声将明显增大,应立即更换轴承。
4、拆卸电动机时,从轴伸端或非轴伸端取出转子都可以,如果没有必要卸下风扇即从非轴伸端取出转子比较便利。从定子内腔中取出转子时应防止损坏定子绕组的绝缘。


